products
產品中心
當前位置:首頁 > 產品中心 > 礦用電動閥門系列 > 礦用隔爆型閥門電動裝置
礦用電動閥門系列 > 礦用隔爆型閥門電動裝置
產品詳情 圖片集錦
主要特點及用途
ZB系列礦用隔爆型閥門電動裝置是針對煤礦使用條件而專門設計和制造的。適用閥板做直線運動的閥門,如閘閥、配水閥、水閘門等;如增加二級減速蝸輪箱后還可用丁閥板做90度回轉的閥門,如蝶閥、風門等。與KXBC礦用隔爆型閥門電動裝置控制箱相互配套后,可與DCS系統銜接,以實現自動化控制。
ZB系列礦用隔爆型閥門電動裝置設計與制造標準
型號規格與主要性能參數

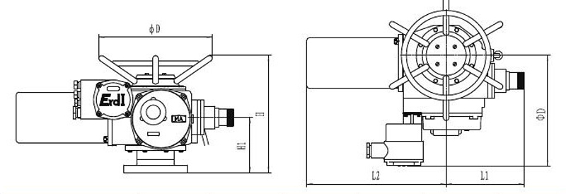
外形及外形尺寸表
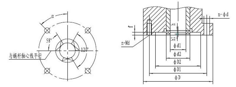
與閥門連接的結構示意圖及尺寸


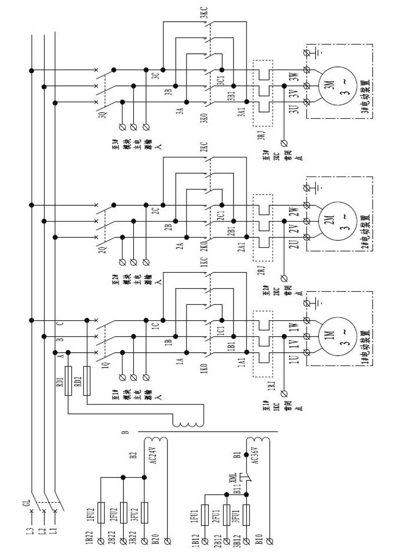
ZB系列礦用隔爆型閥門電動裝置控制箱電氣原理圖
主回路

控制回路

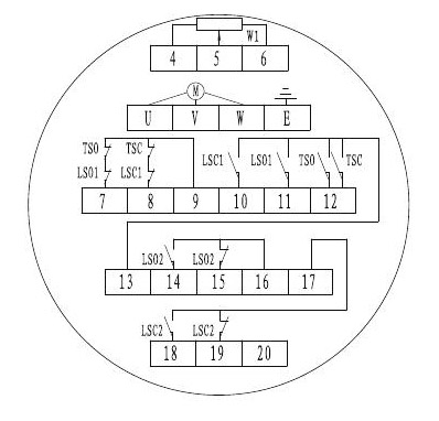
ZB系列礦用隔爆型閥門電動裝置端子圖
轉載請注明出處(ZB系列礦用隔爆型閥門電動裝置:/companynews/422)
上一條:沒有了
下一條:QB系列礦用隔爆型閥門電動裝置
相關文章
- 2025-10-16 > 如何選擇適合的閥門驅動裝置
- 2025-09-08 > 電動閥門執行器:工業自動化的核心驅動裝置
- 2025-08-15 > 電動閥門改造:技術升級與智能化轉型的全面解析
- 2025-07-07 > 電動閥門改造需要注意什么問題
- 2025-06-20 > 選電動閥門執行器時需要考慮哪些因素呢
- 2025-05-26 > 閥門電裝控制回路技能鑒定實操
- 2025-04-24 > 電動閥門執行器在哪個位置
- 2025-03-17 > 電動閥門執行器安裝方向
- 2025-02-18 > 閥門電裝可以接地嗎
- 2025-01-14 > 電動閥門執行器故障報警怎么接線原理
相關產品


